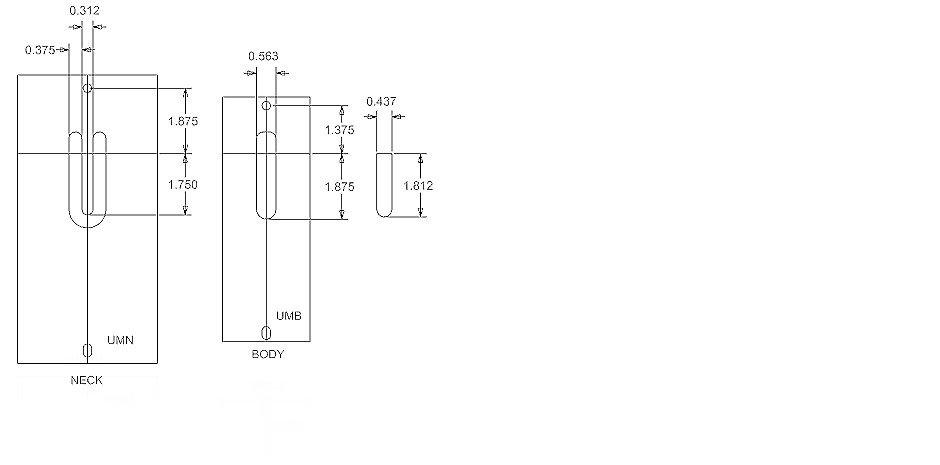
MORTIS/TENON UKE DIMENSION
CUSTOMER SERVICES
Help & Contact Us
Online Stores
Terms & Conditions
COMPANY
What We Do
Privacy Policy
SOCIAL MEDIA
Facebook
X
More